UKCMPX16轴承座、UKCMPX17轴承座、UKCMPX18轴承座、UKCMPX20轴承座 
|
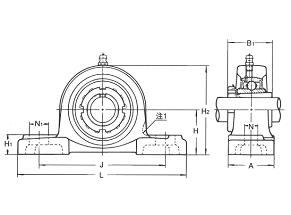
軸徑 |
連 座 |
主 要 寸 法 (mm) |
安裝 |
重量 |
|
(mm) |
軸 承 |
螺栓 |
KG |
|
型 番 |
H |
L |
A |
J |
N |
N1 |
H1 |
H2 |
H5 |
B1 |
A4 |
A5 |
A6 |
A7 |
型番 |
|
20 |
UKCMPX05 |
44.4 |
159 |
51 |
119 |
17 |
25 |
18 |
85 |
-- |
35 |
65 |
-- |
10 |
-- |
M14 |
1.5 |
|
25 |
UKCMPX06 |
47.6 |
175 |
57 |
127 |
17 |
25 |
20 |
94 |
-- |
38 |
70 |
-- |
12 |
-- |
M14 |
2 |
|
30 |
UKCMPX07 |
54 |
203 |
57 |
144 |
17 |
30 |
22 |
105 |
-- |
43 |
83 |
-- |
17 |
-- |
M14 |
2.7 |
|
35 |
UKCMPX08 |
58.7 |
222 |
67 |
156 |
20 |
32 |
26 |
113 |
-- |
46 |
82 |
-- |
15 |
-- |
M16 |
3.5 |
|
40 |
UKCMPX09 |
58.7 |
222 |
67 |
156 |
20 |
33 |
26 |
116 |
-- |
50 |
87 |
-- |
16 |
-- |
M16 |
3.5 |
|
45 |
UKCMPX10 |
63.5 |
241 |
73 |
171 |
20 |
36 |
27 |
126 |
-- |
55 |
88 |
-- |
14 |
-- |
M16 |
4.3 |
|
50 |
UKCMPX11 |
69.8 |
260 |
79 |
184 |
25 |
36 |
30 |
139 |
-- |
59 |
100 |
-- |
19 |
-- |
M20 |
5.8 |
|
55 |
UKCMPX12 |
76.2 |
286 |
83 |
203 |
25 |
41 |
32 |
151 |
-- |
62 |
104 |
-- |
19 |
-- |
M20 |
7.1 |
|
60 |
UKCMPX13 |
76.2 |
286 |
83 |
203 |
25 |
41 |
32 |
154 |
-- |
65 |
-- |
-- |
-- |
-- |
M20 |
7.2 |
|
65 |
UKCMPX15 |
88.9 |
330 |
89 |
229 |
27 |
51 |
35 |
177 |
-- |
73 |
-- |
-- |
-- |
-- |
M22 |
11.5 |
|
70 |
UKCMPX16 |
101.6 |
381 |
102 |
283 |
27 |
59 |
42 |
197 |
-- |
78 |
-- |
-- |
-- |
-- |
M22 |
17.4 |
|
75 |
UKCMPX17 |
101.6 |
381 |
102 |
283 |
27 |
59 |
42 |
202 |
-- |
82 |
-- |
-- |
-- |
-- |
M22 |
17 |
|
80 |
UKCMPX18 |
101.6 |
381 |
111 |
283 |
27 |
60 |
45 |
206 |
-- |
86 |
-- |
-- |
-- |
-- |
M22 |
16.7 |
|
90 |
UKCMPX20 |
127 |
432 |
121 |
337 |
33 |
64 |
52 |
250 |
-- |
97 |
-- |
-- |
-- |
-- |
M27 |
32.1 |
 
|