UKCMP310轴承座、UKCMP311轴承座、UKCMP312轴承座、UKCMP313轴承座、UKCMP315轴承座 
|
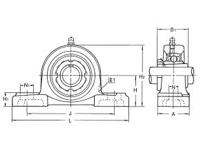
軸徑 |
連 座 |
主 要 寸 法 (mm) |
安裝 |
重量 |
|
(mm) |
軸 承 |
螺栓 |
KG |
|
型 番 |
H |
L |
A |
J |
N |
N1 |
H1 |
H2 |
H5 |
B1 |
A4 |
A5 |
A6 |
A7 |
型番 |
|
20 |
UKCMP305 |
45 |
175 |
45 |
132 |
17 |
20 |
16 |
84 |
89 |
35 |
-- |
78 |
-- |
12 |
M14 |
1.6 |
|
25 |
UKCMP306 |
50 |
180 |
50 |
140 |
17 |
20 |
19 |
94 |
99 |
38 |
-- |
84 |
-- |
13 |
M14 |
1.9 |
|
30 |
UKCMP307 |
56 |
210 |
56 |
160 |
17 |
25 |
21 |
105 |
110 |
43 |
-- |
90 |
-- |
14 |
M14 |
2.7 |
|
35 |
UKCMP308 |
60 |
220 |
60 |
170 |
17 |
27 |
23 |
116 |
122 |
46 |
-- |
100 |
-- |
17 |
M14 |
3 |
|
40 |
UKCMP309 |
67 |
245 |
67 |
190 |
20 |
30 |
25 |
128 |
136 |
50 |
-- |
106 |
-- |
17 |
M16 |
4.6 |
|
45 |
UKCMP310 |
75 |
275 |
75 |
212 |
20 |
35 |
28 |
143 |
149 |
55 |
-- |
114 |
-- |
19 |
M16 |
6.2 |
|
50 |
UKCMP311 |
80 |
310 |
80 |
236 |
20 |
38 |
31 |
154 |
159 |
59 |
-- |
120 |
-- |
20 |
M16 |
7.6 |
|
55 |
UKCMP312 |
85 |
330 |
85 |
250 |
25 |
38 |
33 |
165 |
169 |
62 |
-- |
130 |
-- |
23 |
M20 |
9.3 |
|
60 |
UKCMP313 |
90 |
340 |
90 |
260 |
25 |
38 |
36 |
174 |
188 |
65 |
-- |
140 |
-- |
24 |
M20 |
9.8 |
|
65 |
UKCMP315 |
100 |
380 |
100 |
290 |
27 |
40 |
40 |
197 |
208 |
73 |
-- |
150 |
-- |
25 |
M22 |
13.7 |
|
70 |
UKCMP316 |
106 |
400 |
110 |
300 |
27 |
40 |
45 |
209 |
219 |
78 |
-- |
154 |
-- |
23 |
M22 |
16.6 |
|
75 |
UKCMP317 |
112 |
420 |
110 |
320 |
33 |
45 |
45 |
221 |
234 |
82 |
-- |
164 |
-- |
26 |
M27 |
18.6 |
|
80 |
UKCMP318 |
118 |
430 |
110 |
330 |
33 |
45 |
50 |
233 |
245 |
86 |
-- |
168 |
-- |
26 |
M27 |
21.1 |
|
85 |
UKCMP319 |
125 |
470 |
120 |
360 |
36 |
50 |
50 |
250 |
257 |
90 |
-- |
180 |
-- |
30 |
M30 |
26.5 |
|
90 |
UKCMP320 |
140 |
490 |
120 |
380 |
36 |
50 |
55 |
275 |
282 |
97 |
-- |
190 |
-- |
31 |
M30 |
34.3 |
|
100 |
UKCMP322 |
150 |
520 |
140 |
400 |
40 |
55 |
60 |
295 |
305 |
105 |
-- |
210 |
-- |
36 |
M33 |
42.6 |
|
110 |
UKCMP324 |
160 |
570 |
140 |
450 |
40 |
55 |
70 |
321 |
328 |
112 |
-- |
220 |
-- |
35 |
M33 |
53 |
|
115 |
UKCMP326 |
180 |
600 |
140 |
480 |
40 |
55 |
80 |
354 |
358 |
121 |
-- |
230 |
-- |
36 |
M33 |
72.4 |
|
125 |
UKCMP328 |
200 |
620 |
140 |
500 |
40 |
55 |
80 |
388 |
358 |
131 |
-- |
240 |
-- |
37 |
M33 |
89.4 |
 
|