UKCMP215轴承座、UKCMP216轴承座、UKCMP217轴承座、UKCMP218轴承座 
|
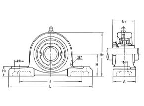
軸徑 |
連 座 |
主 要 寸 法 (mm) |
安裝 |
重量 |
|
(mm) |
軸 承 |
螺栓 |
KG |
|
型 番 |
H |
L |
A |
J |
N |
N1 |
H1 |
H2 |
H5 |
B1 |
A4 |
A5 |
A6 |
A7 |
型番 |
|
20 |
UKCMP205 |
36.5 |
140 |
38 |
105 |
13 |
16 |
16 |
70 |
76 |
35 |
63 |
70 |
11 |
9 |
M10 |
0.84 |
|
25 |
UKCMP206 |
42.9 |
165 |
48 |
121 |
17 |
21 |
18 |
83 |
87 |
38 |
65 |
74 |
10 |
10 |
M14 |
1.4 |
|
30 |
UKCMP207 |
47.6 |
167 |
48 |
127 |
17 |
21 |
19 |
94 |
97 |
43 |
70 |
80 |
11 |
11 |
M14 |
1.6 |
|
35 |
UKCMP208 |
49.2 |
184 |
54 |
137 |
17 |
25 |
19 |
100 |
104 |
46 |
82 |
90 |
15 |
14 |
M14 |
2.1 |
|
35 |
UKCMP308 |
60 |
220 |
60 |
170 |
17 |
27 |
23 |
116 |
122 |
46 |
-- |
100 |
-- |
17 |
M14 |
3 |
|
40 |
UKCMP209 |
54 |
190 |
54 |
146 |
17 |
22 |
20 |
108 |
114 |
50 |
82 |
90 |
14 |
13 |
M14 |
2.4 |
|
45 |
UKCMP210 |
57.2 |
206 |
60 |
159 |
20 |
25 |
22 |
114 |
120 |
55 |
87 |
98 |
15 |
15 |
M16 |
2.8 |
|
50 |
UKCMP211 |
63.5 |
219 |
60 |
171 |
20 |
25 |
22 |
126 |
133 |
59 |
88 |
100 |
14 |
15 |
M16 |
3.4 |
|
55 |
UKCMP212 |
69.8 |
241 |
70 |
184 |
20 |
25 |
25 |
138 |
145 |
62 |
102 |
114 |
19 |
20 |
M16 |
4.8 |
|
60 |
UKCMP213 |
76.2 |
265 |
70 |
203 |
25 |
29 |
27 |
150 |
156 |
65 |
102 |
118 |
17 |
20 |
M20 |
5.7 |
|
65 |
UKCMP215 |
82.6 |
275 |
74 |
217 |
25 |
31 |
28 |
163 |
167 |
73 |
-- |
136 |
-- |
26 |
M20 |
8.3 |
|
70 |
UKCMP216 |
88.9 |
292 |
78 |
232 |
25 |
31 |
30 |
175 |
188 |
78 |
-- |
146 |
-- |
26 |
M20 |
10.4 |
|
75 |
UKCMP217 |
95.2 |
310 |
83 |
247 |
25 |
31 |
32 |
187 |
199 |
82 |
-- |
150 |
-- |
26 |
M20 |
12.8 |
|
80 |
UKCMP218 |
101.6 |
327 |
88 |
262 |
27 |
33 |
34 |
200 |
211 |
86 |
-- |
164 |
-- |
31 |
M22 |
15.1 |
 
|